在鋰電池應用中,過度充電是很常見的一種潛在風險。為了保障鋰電池的安全使用,保護板一般來說配置了過充保護功能。這項功能通過精準監管電池的充電狀態,一旦檢測出來過度充電情況,便會自動運行防御機制,以避免電池因過度充電而受損以至于發生意外。
鋰電池保護板過充保護的工作原理
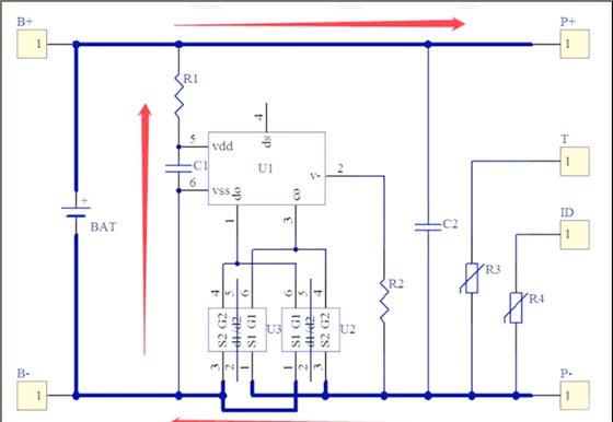
在鋰電池的充電過程中,電池的充電電流會經過一系列的電路路徑。這些路徑中,通常包含兩個雙MOS管(U2、U3),它們在充電時處于導通狀態。同時,U1的Pin5芯片會實時監控系統電芯正極的電壓波動,這個電壓是與Pin6相比較得出的,因為Pin6是U1的地參考。一旦電芯正極的電壓相對于Pin6超過了設置的過度充電門限電壓,Pin3就可能會運行控制機制,關掉兩個MOS管,進而終止充電,這個時候電池只能通過放電。當電池放電至過度充電恢復電壓以下時,Pin3掌控的MOS管會重新打開,這個時候電池又就可以開始充電。
此外,鋰電池還配備了過放保護功能,以確保電池在使用過程中的安全。
鋰電池的放電電流防御機制
在電池放電過程中,電流會經過兩個雙MOS管(U2、U3),這兩者均處于導通狀態。這個時候,U1的Pin5芯片會持續監測電芯正極的電壓波動,這一監測工作就是對于Pin6來完成的,因為Pin6為U1提供地參考。一旦電芯正極的電壓少于設置的過放門限電壓,Pin1就可能會運行防御機制,關掉兩個MOS管,進而終止放電,這個時候電池僅能進行充電。

1.2V 1000mAh AA 5號Type-c口充電鎳氫電池
12.8V80Ah 32650太陽能路燈儲能電池磷酸鐵鋰
37V 10.4Ah 18650 三元鋰電池智能機器人I2C通訊協議
2.4V 1200mAh N型游戲機手柄鎳氫電池